车辆刹车灯

产品概述
车辆刹车灯是汽车安全系统核心部件,适用于各类乘用车、商用车场景,需满足高亮度、快速响应、低功耗及耐高低温的使用需求,保障行车过程中的制动信号清晰传递。
核心解决方案
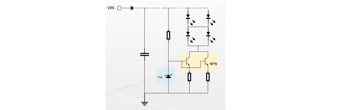
驱动控制模块:精准控制刹车灯点亮/熄灭响应速度,响应延迟低至毫秒级
LED光源驱动芯片:低功耗设计,适配汽车12V/24V电源系统,亮度稳定
过压/过流保护电路:抵御汽车电路电压波动,保护灯组核心元件
散热优化设计:适配汽车舱内高低温环境(-40℃~85℃),延长使用寿命
ESD防护模块:高等级静电防护,抵御汽车电路静电干扰
核心参数表
| 参数类别 | 技术指标 | 适用范围 | 性能优势 |
| 响应速度 | 毫秒级快速响应,点亮延迟低 | 各类乘用车/商用车刹车灯 | 及时传递制动信号,提升行车安全 |
| 功耗控制 | 低功耗设计,适配12V/24V车载电源 | 全系车辆刹车灯 | 降低车载电源能耗,适配原车电路 |
| 环境适配 | 耐高低温(-40℃~85℃),抗振动 | 室内外车载环境 | 适应复杂行车环境,提升耐用性 |
| 防护特性 | 过压/过流/静电防护 | 全场景车辆刹车灯 | 保护灯组元件,延长使用寿命 |
| 亮度指标 | 高亮度,制动信号清晰可见 | 昼/夜行车场景 | 保障不同光线环境下信号可识别 |
